1996 pontiac bonneville engine diagram

2002 Pontiac Bonneville 3.8L FI OHV 6cyl | Repair Guides | Vacuum. 9 Pictures about 2002 Pontiac Bonneville 3.8L FI OHV 6cyl | Repair Guides | Vacuum : 21 Awesome 2000 Pontiac Bonneville Wiring Diagram, 1996 Pontiac Bonneville Starting Problem!!!: Electrical Problem and also 2002 Pontiac Bonneville 3.8L FI OHV 6cyl | Repair Guides | Vacuum.

2002 Pontiac Bonneville 3.8L FI OHV 6cyl | Repair Guides | Vacuum

2002 Pontiac Bonneville 3.8L FI OHV 6cyl | Repair Guides | Vacuum www.autozone.com

vacuum 1996 diagrams diagram caravan chrysler voyager town country 1999 engine 2002 4l repair autozone fig bonneville pontiac guide

Wiring Diagram PDF: 2002 Pontiac Grand Am 3 4l Engine Diagram

Wiring Diagram PDF: 2002 Pontiac Grand Am 3 4l Engine Diagram wiring-pdf.blogspot.com

tensioner serpentine

2002 Pontiac Bonneville 3.8L FI OHV 6cyl | Repair Guides | Vacuum

2002 Pontiac Bonneville 3.8L FI OHV 6cyl | Repair Guides | Vacuum www.autozone.com

vacuum diagram engine 1996 diagrams 8l caravan chrysler town country 3l 2002 pontiac voyager 1999 autozone fig 6cyl engines

[DIAGRAM] Wiring Diagram 2000 Pontiac Firebird FULL Version HD Quality

[DIAGRAM] Wiring Diagram 2000 Pontiac Firebird FULL Version HD Quality diagramref.motoclubgargaros.it

firebird weatherstrips

21 Awesome 2000 Pontiac Bonneville Wiring Diagram

21 Awesome 2000 Pontiac Bonneville Wiring Diagram bosco-mylove.blogspot.com

diagram bonneville pontiac 2000 wiring switch mystique mercury brake 1999

Oil Pressure Sending Unit Location: Where Is The Oil Pressure

Oil Pressure Sending Unit Location: Where Is the Oil Pressure www.2carpros.com

oil pressure location unit sending pontiac where 1999 bonneville

Repair Guides

Repair Guides www.autozone.com

wiring diagram oldsmobile autozone 1990 schematic repairguide repair 1989 fig daytime running lights need eighty eight diagrams guide 1996

1994 Corvette Engine Diagram

1994 Corvette Engine Diagram activadiagram.blogspot.com

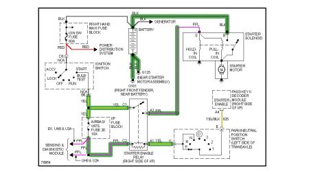
1996 Pontiac Bonneville Starting Problem!!!: Electrical Problem

1996 Pontiac Bonneville Starting Problem!!!: Electrical Problem www.2carpros.com

bonneville pontiac 1996 starting circuit diagram problem starter

[diagram] wiring diagram 2000 pontiac firebird full version hd quality. 1994 corvette engine diagram. Wiring diagram oldsmobile autozone 1990 schematic repairguide repair 1989 fig daytime running lights need eighty eight diagrams guide 1996