1995 ford windstar wiring diagram

FUSE DIAGRAM FOR 2000 FORD WINDSTAR - Auto Electrical Wiring Diagram. 17 Images about FUSE DIAGRAM FOR 2000 FORD WINDSTAR - Auto Electrical Wiring Diagram : 1995 Ford Windstar Fuse Box Diagram - Wiring Diagram Example, Fuse Box Guide 1995 Ford Aerostar Van | schematic and wiring diagram and also 1998 Ford windstar wiring diagram.

FUSE DIAGRAM FOR 2000 FORD WINDSTAR - Auto Electrical Wiring Diagram

FUSE DIAGRAM FOR 2000 FORD WINDSTAR - Auto Electrical Wiring Diagram www.pvcdograma.me

wiring windstar 2000 f650 coolant h2 expedition

Ford Windstar Wiring Schematic

Ford windstar wiring schematic automotorpad.com

windstar wiring ford schematic washer 1997 system wiper diagrams circuit 2002 source

1998 Ford Windstar Wiring Diagram

1998 Ford windstar wiring diagram automotorpad.com

windstar ford diagram 1998 wiring break brake light lights source fuse left need wire justanswer

Ford Windstar Wiper Motor Wiring Diagram - Wiring Diagram

Ford Windstar Wiper Motor Wiring Diagram - Wiring Diagram cars-trucks24.blogspot.com

wiper windshield fuse windstar gooddy

Service Owner Manual : November 2012

service owner manual : November 2012 manualsguides.blogspot.com

wiring windstar

Engine Wiring Diagrams Please?: I Am Working On A 96 Windstar And

Engine Wiring Diagrams Please?: I Am Working on a 96 Windstar and www.2carpros.com

diagrams wiring engine please enlarge

97 Windstar Fuse Box Diagram - Wiring Diagram Networks

97 Windstar Fuse Box Diagram - Wiring Diagram Networks kelvin-okl.blogspot.com

taurus mountaineer windstar imageservice motogurumag

Ford Windstar 1995 Inside Fuse Box/Block Circuit Breaker Diagram

Ford Windstar 1995 Inside Fuse Box/Block Circuit Breaker Diagram www.carfusebox.com

windstar ford fuse 1995 diagram box breaker circuit inside block carfusebox

Fuse Box Guide 1995 Ford Aerostar Van | Schematic And Wiring Diagram

Fuse Box Guide 1995 Ford Aerostar Van | schematic and wiring diagram schematicandwiringdiagram.blogspot.com

aerostar windstar

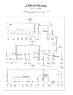
1997 Ford Windstar Complete System Wiring Diagrams | Wiring Diagrams Center

1997 Ford Windstar Complete System Wiring Diagrams | Wiring Diagrams Center wiringdiagramsolution.blogspot.com

diagrams

1995 Ford Windstar Fuse Box Diagram - Wiring Diagram Example

1995 Ford Windstar Fuse Box Diagram - Wiring Diagram Example xtobefreeky.blogspot.com

windstar 2003 aerostar stickerdeals

Engine Wiring Diagrams Please?: I Am Working On A 96 Windstar And

Engine Wiring Diagrams Please?: I Am Working on a 96 Windstar and www.2carpros.com

windstar wiring diagrams ford engine please enlarge

[VR_9643] 2000 Ford Ranger Steering Column Diagram Wiring Diagram

[VR_9643] 2000 Ford Ranger Steering Column Diagram Wiring Diagram osuri.opein.ommit.cette.mohammedshrine.org

steering column ignition actuator f150 rod replacement cylinder ford diagram ranger 2000 1997 removed wiring 2003 shaft

33 2001 Ford Windstar Serpentine Belt Diagram - Wire Diagram Source

33 2001 Ford Windstar Serpentine Belt Diagram - Wire Diagram Source wiringdiagrammechanic.blogspot.com

windstar routing

Ford Windstar 1995 2003 Haynes Service Repair Manual - Sagin Workshop

Ford Windstar 1995 2003 Haynes Service Repair Manual - sagin workshop www.workshoprepairmanual.com.au

ford windstar 2003 service manual haynes 1995 manuals workshop 2001 repair pdf escape diagram title

1997 Ford Windstar Complete System Wiring Diagrams | Wiring Diagrams Center

1997 Ford Windstar Complete System Wiring Diagrams | Wiring Diagrams Center wiringdiagramsolution.blogspot.com

wiring diagrams center

SOLVED: Wiring Diagram For 2001 Ford Windstar - Fixya

SOLVED: Wiring diagram for 2001 ford windstar - Fixya www.fixya.com

diagram windstar belt 2001 ford mercury monterey wiring drivebelt removed justanswer fixya

Wiring diagrams center. Engine wiring diagrams please?: i am working on a 96 windstar and. Ford windstar wiper motor wiring diagram