1974 suzuki ts185 wiring diagram

Suzuki Ts 185 Wiring Diagram | eBay. 13 Images about Suzuki Ts 185 Wiring Diagram | eBay : Schema electrique suzuki van van 50 - bois-eco-concept.fr, Pin by phyllis on Suzuki in 2020 | Suzuki ts125, Motorcycle wiring and also Pin by phyllis on Suzuki in 2020 | Suzuki ts125, Motorcycle wiring.

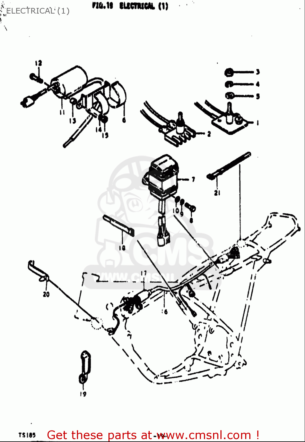
Suzuki Ts 185 Wiring Diagram | EBay

Suzuki Ts 185 Wiring Diagram | eBay www.ebay.co.uk

Download 2008 Nissan Altima Electrical Schematic - Brownskins

Download 2008 Nissan Altima Electrical Schematic - brownskins brownskins.weebly.com

brownskins

Suzuki Tf 125 Wiring Harnes - Wiring Diagram

Suzuki Tf 125 Wiring Harnes - Wiring Diagram alohagrace.blogspot.com

harnes general

1978 Suzuki Wiring Diagram Manual | EBay

1978 Suzuki Wiring Diagram Manual | eBay www.ebay.com

repairmanual suz

1971 Suzuki Ts185 Wiring Harnes

1971 Suzuki Ts185 Wiring Harnes hestiahelper.blogspot.com

ts185 1971 suzuki harnes wiring e03 1972 electrical usa

Pin By Phyllis On Suzuki In 2020 | Suzuki Ts125, Motorcycle Wiring

Pin by phyllis on Suzuki in 2020 | Suzuki ts125, Motorcycle wiring www.pinterest.com

diagram ts125 liana suzi compendium evan xs1100 schematic repairworkshop evanfell

Suzuki TS185 ER UK Spec Colour Wiring Loom Circuit Diagram

Suzuki TS185 ER UK Spec Colour Wiring Loom Circuit Diagram kojaycat.co.uk

wiring suzuki diagram ts185 er colour spec loom usa recommend compare question ask ts185er kojaycat 1979 laminated

February 2013 – Evan Fell Motorcycle Works

February 2013 – Evan Fell Motorcycle Works cycles.evanfell.com

ts125 scrambler evanfell hobby

Wiring Diagram Suzuki Ts250 - Gallery 4K

wiring diagram suzuki ts250 - Gallery 4K www.gallery4k.com

Schema Electrique Suzuki Van Van 50 - Bois-eco-concept.fr

Schema electrique suzuki van van 50 - bois-eco-concept.fr www.bois-eco-concept.fr

schema ts185

1971 Suzuki Ts185 Wiring Harnes

1971 Suzuki Ts185 Wiring Harnes hestiahelper.blogspot.com

ts185 suzuki wiring 1974 harnes 1971 owners motorcycle manual

Suzuki Gt 185 Wiring Harnes - Complete Wiring Schemas

Suzuki Gt 185 Wiring Harnes - Complete Wiring Schemas wiring89.blogspot.com

wiring ts185 partzilla

1971 Suzuki Ts185 Wiring Harnes - Wiring Diagram Library

1971 Suzuki Ts185 Wiring Harnes - Wiring Diagram Library jennyofelefantz.blogspot.com

ts185 imageservice harnes

Ts185 1971 suzuki harnes wiring e03 1972 electrical usa. Download 2008 nissan altima electrical schematic. Diagram ts125 liana suzi compendium evan xs1100 schematic repairworkshop evanfell