1971 honda sl125 engine diagram

1972 Honda SL125 Bottom End - Engine - Motor | eBay. 14 Pictures about 1972 Honda SL125 Bottom End - Engine - Motor | eBay : Infiniti Electrical Wiring Diagrams | New Wiring Resources 2019, Honda SL125 SL 125 Manual and also 1972 Honda SL125 Bottom End - Engine - Motor | eBay.

1972 Honda SL125 Bottom End - Engine - Motor | EBay

1972 Honda SL125 Bottom End - Engine - Motor | eBay www.ebay.com

honda bottom motor engine end sl125 1972

Honda SL125 SL 125 Manual

Honda SL125 SL 125 Manual www.servicerepairmanualonline.com

sl125

HONDA 1972 SL100 SL 100 ENGINE TRANNSMISSION | EBay

HONDA 1972 SL100 SL 100 ENGINE TRANNSMISSION | eBay www.ebay.com

Honda SL70K1 U.S.A Parts Lists And Schematics

Honda SL70K1 U.S.A parts lists and schematics www.cmsnl.com

crankshaft piston sl70

Honda SL125 MOTOSPORT 1972 K1 USA Parts Lists And Schematics

Honda SL125 MOTOSPORT 1972 K1 USA parts lists and schematics www.cmsnl.com

honda 1972 k1 motosport sl125 usa transmission parts

1972 Honda Sl125 Motorcycle Transmission Repair Part A - YouTube

1972 honda sl125 motorcycle transmission repair part A - YouTube www.youtube.com

Infiniti Electrical Wiring Diagrams | New Wiring Resources 2019

Infiniti Electrical Wiring Diagrams | New Wiring Resources 2019 arkansas-zl1403.changeip.co

infiniti ss125a gx630 wiringdiagrams sl125 g35 rh fuel

Honda SL 125 Owners Blog : Honda SL125 Engine Removal

Honda SL 125 owners blog : Honda SL125 engine removal hondasl125.blogspot.com

sl125

Honda Sl 175 Repair Manual

Honda sl 175 repair manual electricverticalblinds.com

sl175

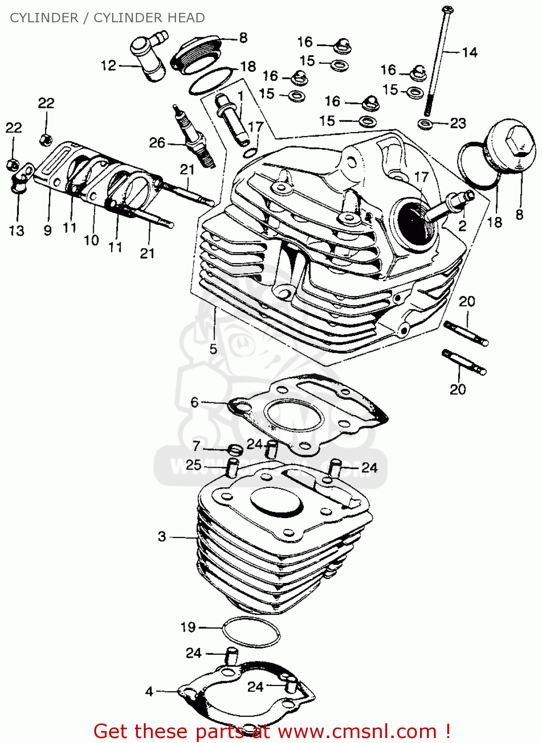
Honda Sl125 Motosport 1972 K1 Usa Cylinder / Cylinder Head - Schematic

Honda Sl125 Motosport 1972 K1 Usa Cylinder / Cylinder Head - schematic www.cmsnl.com

head honda sl125 motosport usa schematic k1 1972 spark plug cylinder 1976 european direct sales sport super k2 1973 cmsnl

1970 Honda SL175 – Engine Install And Carb Cleanup - Miles And Hours

1970 Honda SL175 – Engine Install and Carb Cleanup - miles and hours milesandhours.com

engine sl175 1970 honda carb cleanup install frame cl175 cb175 goes same into

Honda Sl70 Motosport 1971 K0 Usa Carburetor - Schematic Partsfiche

Honda Sl70 Motosport 1971 K0 Usa Carburetor - schematic partsfiche www.cmsnl.com

honda carburetor sl70 motosport usa k0 1971 schematic k1 1973 parts cmsnl

Honda Cb 100 Cl100 Sl100 Cb125S Cd125S Sl125 70 Service Manual

Honda Cb 100 Cl100 Sl100 Cb125S Cd125S Sl125 70 Service Manual newsmanuals.com

sl100 sl125 cb125s cl100 honda manual cb service

Honda SL350 MOTOSPORT 1970 K1 USA Parts Lists And Schematics

Honda SL350 MOTOSPORT 1970 K1 USA parts lists and schematics www.cmsnl.com

honda sl350 motosport usa k1 1970 1972 k2 carburetor parts lists list cmsnl

Honda bottom motor engine end sl125 1972. Engine sl175 1970 honda carb cleanup install frame cl175 cb175 goes same into. Sl100 sl125 cb125s cl100 honda manual cb service