05 seabring engine sys diagram

2004 Sebring Lx Engine Diagram - 2004 Sebring 2 7 Engine Diagram Cctv 6. 10 Pictures about 2004 Sebring Lx Engine Diagram - 2004 Sebring 2 7 Engine Diagram Cctv 6 : I have a 1997 chrysler sebring that keeps blowing the ASD fuse which, 98 Seabring 2 5 Engine Diagram - Fuse & Wiring Diagram and also Mercruiser 3.0 Firing Order Diagram.

2004 Sebring Lx Engine Diagram - 2004 Sebring 2 7 Engine Diagram Cctv 6

2004 Sebring Lx Engine Diagram - 2004 Sebring 2 7 Engine Diagram Cctv 6 potterspott.blogspot.com

sebring lxi digit

[DIAGRAM] Mercruiser 3 0 Engine Diagram FULL Version HD Quality Engine

[DIAGRAM] Mercruiser 3 0 Engine Diagram FULL Version HD Quality Engine diagramdb.com

voyager plymouth engine 2000 diagram liter chrysler mercruiser

Engine Doesn't Crank: I Have A 96 Chrys. Sebring Convertable. 2.5

Engine Doesn't Crank: I Have a 96 Chrys. Sebring Convertable. 2.5 www.2carpros.com

crank

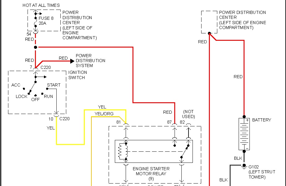
I Have A 1997 Chrysler Sebring That Keeps Blowing The ASD Fuse Which

I have a 1997 chrysler sebring that keeps blowing the ASD fuse which www.justanswer.com

chrysler engine 1997 sebring compartment idling fans

98 Seabring 2 5 Engine Diagram - Fuse & Wiring Diagram

98 Seabring 2 5 Engine Diagram - Fuse & Wiring Diagram fusewiring.blogspot.com

cirrus coolant sebring jx seabring antifreeze

MerCruiser 3.0L MPI EC Starter Motor Parts

MerCruiser 3.0L MPI EC Starter Motor Parts www.marineengine.com

starter mercruiser diagram wiring parts motor 0l gm mpi engine searay alpha l4 marine sterndrive ec mercury equivalent aftermarket listed

[DIAGRAM] Mercruiser 3 0 Engine Diagram FULL Version HD Quality Engine

[DIAGRAM] Mercruiser 3 0 Engine Diagram FULL Version HD Quality Engine diagramdb.com

ls v6 lincoln 2004 diagram engine ford v8 wiring sensor 1999 mercruiser keep getting parts egr 1994 p0108 0l

2004 Mercruiser 5,7 (carb) 250 Hp Cranking Not Starting. I Have 2004

2004 Mercruiser 5,7 (carb) 250 hp cranking not starting. I have 2004 www.justanswer.com

trouble cranking 2004 carb mercruiser hp starting shooting diagram motor right type engine

2002 Sebring Engine Diagram - Cars Wiring Diagram

2002 Sebring Engine Diagram - Cars Wiring Diagram yosalsero.blogspot.com

sebring 2002 stratus answers wrg 1887

Mercruiser 3.0 Firing Order Diagram

Mercruiser 3.0 Firing Order Diagram wiringall.com

mercruiser wiring ignition diagram ray sea firing order 1988 distributor where wire cap repair rotor

I have a 1997 chrysler sebring that keeps blowing the asd fuse which. Mercruiser 3.0 firing order diagram. [diagram] mercruiser 3 0 engine diagram full version hd quality engine