03 accord radio wiring diagram

Wiring Diagram For 93 Accord - Complete Wiring Schemas. 14 Images about Wiring Diagram For 93 Accord - Complete Wiring Schemas : 2006 Honda Accord Radio Wiring Diagram Pictures - Wiring Diagram Sample, 2003 Honda Accord Ecu Wiring Diagram - Wiring Diagram and also 2006 Honda Accord Radio Wiring Diagram Pictures - Wiring Diagram Sample.

Wiring Diagram For 93 Accord - Complete Wiring Schemas

Wiring Diagram For 93 Accord - Complete Wiring Schemas wiring89.blogspot.com

accord

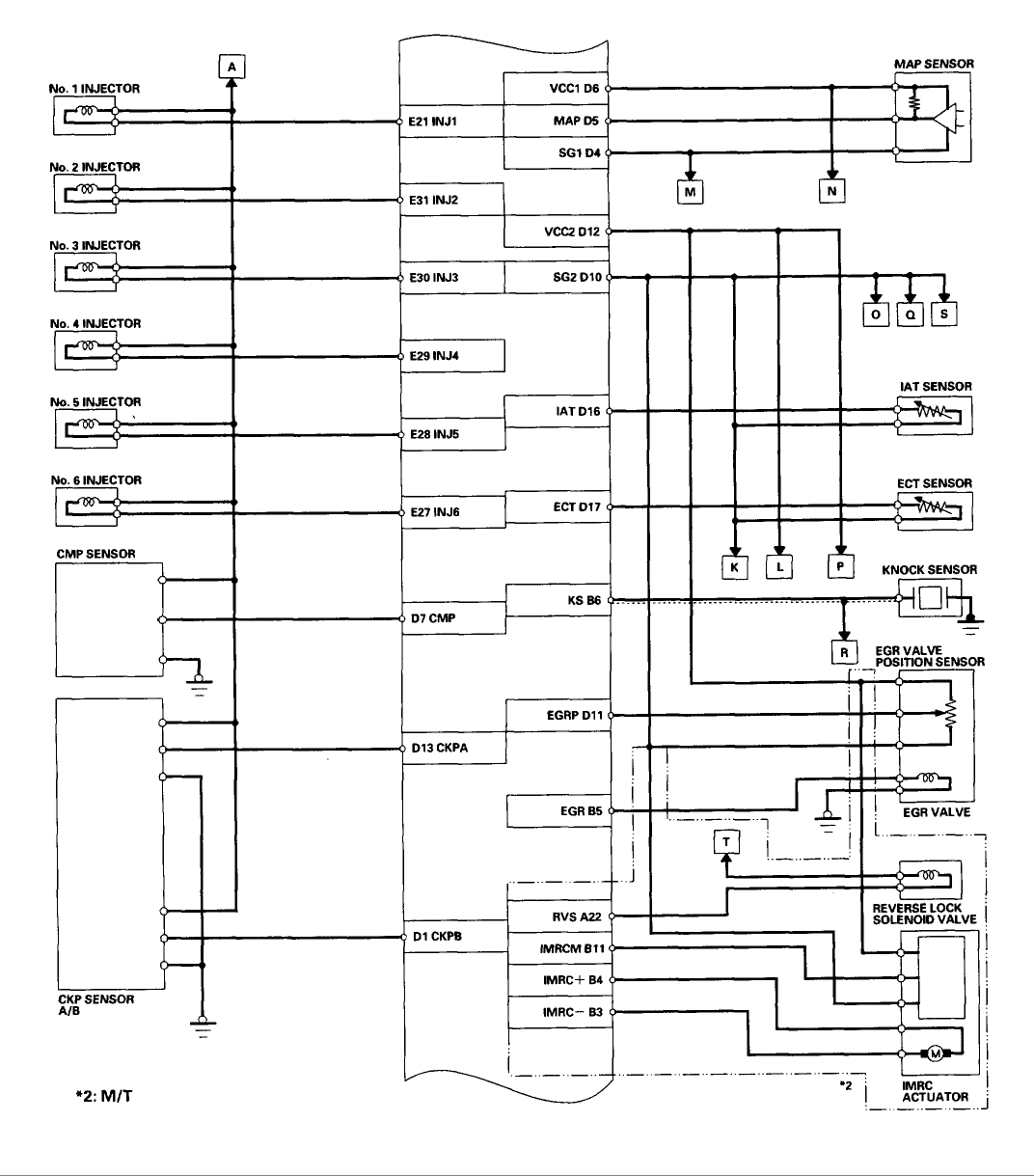
Accord 09 V6 EXL Wire Diagrams, Harness Connectors - Honda Accord Forum

Accord 09 V6 EXL Wire diagrams, Harness Connectors - Honda Accord Forum www.hondaaccordforum.com

accord wire v6 harness exl diagrams connectors honda diagram audio

55 2009 Honda Accord Radio Wiring Diagram - Wiring Diagram Harness

55 2009 Honda Accord Radio Wiring Diagram - Wiring Diagram Harness wiringdiagramharnessideas.blogspot.com

pioneer imageservice autoradio schematron civictr pinoutguide jvc connecteur conexiones stecker konektor pinout kullanma teyp amfi orjinal electrico kunjungi

MyChimaera - Honda Accord References

MyChimaera - Honda Accord references mychimaera.com

accord diagram honda 2004 wiring v6 ecm coupe automatic need

Wiring Diagram PDF: 2002 Ski Doo Wiring Diagram

Wiring Diagram PDF: 2002 Ski Doo Wiring Diagram wiring-pdf.blogspot.com

2002 crv evap shutoff autoradio conexiones konektor stecker connecteur tehnomagazin rsx electrico shema kunjungi

WIRING DIAGRAM FOR SHOPRIDER DELUXE - Auto Electrical Wiring Diagram

WIRING DIAGRAM FOR SHOPRIDER DELUXE - Auto Electrical Wiring Diagram edu-apps.herokuapp.com

wiring shoprider

91 Honda Accord Radio Wiring Diagram

91 Honda Accord Radio Wiring Diagram www.chanish.org

wiring ledningsdiagram naturatelier chamas chanish

44 2009 Honda Accord Radio Wiring Diagram - Wiring Diagram Harness Info

44 2009 Honda Accord Radio Wiring Diagram - Wiring Diagram Harness Info kmallco.blogspot.com

windstar

2006 Honda Accord Radio Wiring Diagram Pictures - Wiring Diagram Sample

2006 Honda Accord Radio Wiring Diagram Pictures - Wiring Diagram Sample faceitsalon.com

2003 Honda Accord Ecu Wiring Diagram - Wiring Diagram

2003 Honda Accord Ecu Wiring Diagram - Wiring Diagram wiringdiagram.2bitboer.com

ecu 1997 2003 prelude hrv headlight

Honda Accord L.X 1991 Fuse Box/Block Circuit Breaker Diagram » CarFuseBox

Honda Accord L.X 1991 Fuse Box/Block Circuit Breaker Diagram » CarFuseBox www.carfusebox.com

fuse accord honda 1991 diagram box breaker circuit block carfusebox

WIRING DIAGRAM FOR SHOPRIDER DELUXE - Auto Electrical Wiring Diagram

WIRING DIAGRAM FOR SHOPRIDER DELUXE - Auto Electrical Wiring Diagram edu-apps.herokuapp.com

shoprider vespa

30 2004 Nissan Sentra Radio Wiring Diagram - Wiring Diagram Niche

30 2004 Nissan Sentra Radio Wiring Diagram - Wiring Diagram Niche dominicluta.blogspot.com

sentra

Fuse Box Honda Odyssey 2002 - Wiring Diagram

Fuse Box Honda Odyssey 2002 - Wiring Diagram cars-trucks24.blogspot.com

Wiring diagram for shoprider deluxe. 2006 honda accord radio wiring diagram pictures. 2002 crv evap shutoff autoradio conexiones konektor stecker connecteur tehnomagazin rsx electrico shema kunjungi